Product center
Hot Products
Contact Us
Sales Department Tel:
0534-5433137 / 0534-5433136
Technical Department Tel:
18866073876 / 0534-5434137
Address: Xinghua Road, Qihe Economic Development Zone, Shandong, China
Circular vacuum dryer
Classification:Vacuum Drying Equipment
Introduction:The boiling point of raw material under vacuum is reduced, the evaporation efficiency increases, therefore for a certain...
Technical department telephone:18866073876 / 0534-5434137
Sales Department Tel:0534-5433137 / 0534-5433136
E-mail:lulishebei@163.com
Order Hotline:400-829-7199
Can be customized according to customer requirements

Details
Product introduction
This function gets higher drying rates at lower temperatures, sufficient heat utilization, which is mainly suitable for heat sensitive material and containing agent and solvent recovery drying. Disinfection can be carried out before drying, and no impurity is mixed in the drying process. The dryer belongs to a static vacuum dryer, so the formation of dry material will not be damaged.
Heating methods are: steam, hot water, heat conduction oil, electric heating.
Note: if the condenser is used, the solvent in the material can be recovered through the condenser. If the SK series water ring vacuum pump is adopted, the energy investment can be saved without using the condenser.
Product features
1, Under vacuum the boiling point of the material solution is lowered, so that the heat transfer force of the evaporator is increased. Therefore, the heat transfer area of the evaporator can be saved by a certain heat transfer rate.
2, Evaporation operation of the heat source can use low pressure steam or waste heat steam.
3, Less heat loss of the evaporator.
4, Before drying can be disinfected, drying process without any impurities mixed, comply with the requirements of GMP.
5, Belong to the static vacuum dryer, so dry material form will not be damaged.
Product application
YZG vacuum dryer for easy decomposition under high temperature, dry heat sensitive material polymerization and metamorphose; it is widely used in pharmaceutical, chemical, food, electronics and other industries.
Working principle
The so-called vacuum drying, that is, drying materials in vacuum conditions for heating drying, if the use of vacuum pumps pumping, pumping, wet, it speeds up the drying rate. The utility model has the advantages of fast drying, little pollution and no damage to the internal quality of the dried articles.
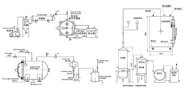
Structure drawing

Company information
Shandong Luli medicine equipment manufacturing and installation Co. Ltd. is a company engaged in the extraction, concentration and drying engineering technology development of high-tech enterprises, specializing in the extraction, concentration and drying technology and equipment research and development, design, manufacture, installation, commissioning and technical consultation!
Counseling hotline : 400-011-0271

Other products
Client messages
Name : | * |
Phone: | * |
Message content: | |
Recommended news
- 2017-08-07The use of flash dryer in chemical industry
- 2017-08-07GMP requirements and extraction enrichment equipment
- 2017-08-02Six advantages of falling film evaporator
- 2017-08-01Three forms of scraper evaporator
- 2017-08-01Working principle of three effect evaporator
- 2017-08-01Matters needing attention in production of spray drier
- 2017-08-01How to achieve cyclic heating and cooling?
- 2017-08-01Maintenance knowledge and cleaning method of sanitary equipment
- 2017-08-01Preparation before extraction, concentration, inspection
- 2017-08-01Operation points of spray drying equipment
- 2017-08-01Common maintenance knowledge and cleaning method of crystallizing pot
- 2017-08-01The fresh air needed in the flash dryer is introduced by the filter
- 2017-08-01Condenser refrigeration system
- 2017-08-01What is a reaction kettle?
- 2017-08-01Overview and development process of flash drying
- 2017-08-01What is the principle of an evaporator?
- 2017-08-01Shandong pharmaceutical intermediate production company workshop equipment and piping installation project in construction
- 2017-08-01Our company is the construction of the sewage treatment system installation project of Zhangjiagang biochemical company
- 2017-08-01LPG high speed centrifugal spray dryer test machine successfully
- 2017-08-01Warmly celebrate our company won seven patents on utility models, warmly celebrate our company won seven patent certificate of utility model